|
Параметри: Рабочее давление: 16 bar Н/ж сталь: AISI304, AISI316 Область применения: общепромышленное и химическое назначение. Рабочая среда: вода, газ, масла, нефть. Опция: площадка под пневмопривод |
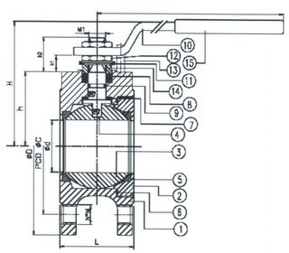
Материалы частей крана: |
Контактные данные: ТзОВ "Компанія "Євроспецкран" Адрес: г. Львов, ул. Крымская, д. 28, офис 413, 79011 тел.: 050 317-02-96, 050 431-35-03, 097 032-46-03 Факс.: 032 244-27-12 spetskran@rambler.ru |
|||||||||||||||||||||||||||||||||||||||||||||||
|
![]() |
||||||||||||||||||||||||||||||||||||||||||||||||
| DN | PN | d | D | C | NxM | L | W | H | h | h1 | h2 | B | M1 | кг/шт |
| 15 | PN 16-40 | 15 | 88 | 65 | 4*M12 | 36 | 180 | 70 | 32 | 9 | 18 | 8 | M12 | 2 |
| 20 | PN 16-40 | 20 | 98 | 75 | 4*M12 | 38 | 180 | 75 | 36 | 9 | 18 | 8 | M12 | 4 |
| 25 | PN 16-40 | 24 | 108 | 85 | 4*M12 | 43 | 180 | 88 | 43 | 15 | 26 | 8 | M12 | 6 |
| 32 | PN 16-40 | 30 | 128 | 100 | 4*M16 | 51 | 180 | 91 | 46 | 13 | 24 | 8 | M12 | 6 |
| 40 | PN 16-40 | 38 | 150 | 110 | 4*M16 | 63 | 275 | 112 | 63 | 14 | 32 | 10 | M16 | 10 |
| 50 | PN 16-40 | 50 | 165 | 125 | 4*M16 | 83 | 275 | 118 | 68.5 | 16 | 32 | 10 | M16 | 11 |
| 65 | PN 10-16 | 64 | 185 | 145 | 4*M16 | 107 | 380 | 130 | 82 | 20 | 40 | 14 | M22 | 15 |
| 65 | PN 40 | 64 | 185 | 145 | 8*M16 | 107 | 380 | 130 | 82 | 20 | 40 | 14 | M22 | 15 |
| 80 | PN 16-40 | 75 | 200 | 160 | 8*M16 | 120 | 380 | 136 | 90 | 19 | 37 | 14 | M22 | 20 |
| 100 | PN 10-16 | 100 | 220 | 180 | 8*M16 | 152 | 450 | 208 | 105 | 26 | 46 | 18 | M30 | |
| 100N | PN 40 | 100 | 235 | 190 | 8*M20 | 164 | 450 | 214 | 111 | 26 | 46 | 18 | M30 | 59 |