Приварной тройник DIN11851, AISI304

Сфера использования: молочная промышленность, производство напитков, пива и других продуктов питания
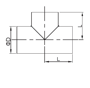
Размеры
Размер D L
DN10 12 26
DN15 18 35
DN20 22 40
DN25 28 50
DN32 34 55
DN40 40 60
DN50 52 70
DN65 70 80
DN80 85 90
DN100 104 100
Контактные данные:
ТзОВ "Компанія "Євроспецкран"
Адрес: г. Львов, ул. Крымская, д. 28, офис 413, 79011
тел.: 050 317-02-96, 050 431-35-03, 097 032-46-03
Факс.: 032 244-27-12
spetskran@rambler.ru
Возврат на главную страницу