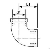
| 301 |
Колено 90, внутр. резьба DIN 2987 |
 |
| NW |
d1 |
L1 |
| 6 |
1/8" |
18 мм |
| 8 |
1/4" |
21 мм |
| 10 |
3/8" |
25 мм |
| 15 |
1/2" |
28 мм |
| 20 |
3/4" |
33 мм |
| 25 |
1" |
38 мм |
| 32 |
1 1/4" |
45 мм |
| 40 |
1 1/2" |
50 мм |
| 50 |
2" |
58 мм |
| 65 |
2 1/2" |
70 мм |
| 80 |
3" |
80 мм |
| 100 |
4" |
105 мм |
|
 |
|
| 302 |
Крестовина, внутр. резьба DIN 2987 |
 |
| NW |
d1 |
L1 |
| 8 |
1/4" |
21 мм |
| 10 |
3/8" |
25 мм |
| 15 |
1/2" |
28 мм |
| 20 |
3/4" |
33 мм |
| 25 |
1" |
38 мм |
| 32 |
1 1/4" |
45 мм |
| 40 |
1 1/2" |
49 мм |
| 50 |
2" |
57 мм |
|
 |
|
| 301 R |
Колено редукционное 90, внутр. резьба DIN 2987 |
 |
| NW |
d2 |
d1 |
L1 |
| 8/6 |
1/4" - |
1/8" |
21 мм |
| 10/8 |
3/8" - |
1/4" |
25 мм |
| 15/10 |
1/2" - |
3/8" |
28 мм |
| 20/15 |
3/4" - |
1/2" |
33 мм |
| 25/20 |
1" - |
3/4" |
38 мм |
| 32/25 |
1 1/4" - |
1" |
45 мм |
| 40/32 |
1 1/2" - |
1 1/4" |
50 мм |
| 50/40 |
2" - |
1 1/2" |
58 мм |
|
 |
|
| 303 |
Колено 45, внутр. резьба DIN 2987 |
 |
| NW |
d1 |
L |
| 8 |
1/4" |
19 мм |
| 10 |
3/8" |
20 мм |
| 15 |
1/2" |
23 мм |
| 20 |
3/4" |
25 мм |
| 25 |
1" |
29 мм |
| 32 |
1 1/4" |
33 мм |
| 40 |
1 1/2" |
37 мм |
| 50 |
2" |
43 мм |
| 65 |
2 1/2" |
56 мм |
| 80 |
3" |
68 мм |
|
 |
|
| 304 |
Колено-нипель 90, резьба внутр./внешн. DIN 2987 |
 |
| NW |
d1 |
L1 |
| 6 |
1/8" |
18 мм |
| 8 |
1/4" |
21 мм |
| 10 |
3/8" |
24 мм |
| 15 |
1/2" |
28 мм |
| 20 |
3/4" |
33 мм |
| 25 |
1" |
38 мм |
| 32 |
1 1/4" |
45 мм |
| 40 |
1 1/2" |
49 мм |
| 50 |
2" |
57 мм |
| 65 |
2 1/2" |
68 мм |
| 80 |
3" |
80 мм |
| 100 |
4" |
130 мм |
|
 |
|
| 305 |
Колено 90, внешн. резьба DIN 2983 |
 |
| NW |
d1 |
L1 |
| 8 |
1/4" |
60 мм |
| 10 |
3/8" |
70 мм |
| 15 |
1/2" |
80 мм |
| 20 |
3/4" |
100 мм |
| 25 |
1" |
120 мм |
| 32 |
1 1/4" |
140 мм |
| 40 |
1 1/2" |
160 мм |
| 50 |
2" |
190 мм |
| 65 |
2 1/2" |
240 мм |
| 80 |
3" |
290 мм |
|
 |
|
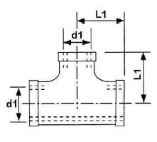
| 307 |
Тройник, резьба внутр. DIN 2987 |
 |
| NW |
d1 |
L1 |
| 6 |
1/8" |
18 мм |
| 8 |
1/4" |
21 мм |
| 10 |
3/8" |
25 мм |
| 15 |
1/2" |
28 мм |
| 20 |
3/4" |
33 мм |
| 25 |
1" |
38 мм |
| 32 |
1 1/4" |
45 мм |
| 40 |
1 1/2" |
50 мм |
| 50 |
2" |
58 мм |
| 65 |
2 1/2" |
70 мм |
| 80 |
3" |
78 мм |
| 100 |
4" |
96 мм |
|
 |
|
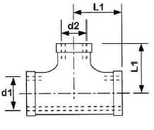
| 307 R |
Тройник редукционный, резьба внутр. DIN 2987 |
 |
| NW |
d1 |
d2 |
L1 |
| 8/6 |
1/4" |
1/8" |
21 мм |
| 10/8 |
3/8" |
1/4" |
25 мм |
| 15/10 |
1/2" |
3/8" |
28 мм |
| 20/15 |
3/4" |
1/2" |
33 мм |
| 25/20 |
1" |
3/4" |
38 мм |
| 32/25 |
1 1/4" |
1" |
45 мм |
| 40/32 |
1 1/2" |
1 1/4" |
50 мм |
| 50/40 |
2" |
1 1/2" |
58 мм |
|
 |
|
| 308 |
Нипель односторонний, резьба внешн. DIN 2982 |
 |
| NW |
d1 |
d2 |
L1 |
| 6 |
1/8" |
10.2 мм |
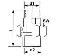
30 мм |
| 8 |
1/4" |
13.5 мм |
30 мм |
| 10 |
3/8" |
17.2 мм |
30 мм |
| 15 |
1/2" |
21.3 мм |
35 мм |
| 20 |
3/4" |
26.9 мм |
40 мм |
| 25 |
1" |
33.7 мм |
40 мм |
| 32 |
1 1/4" |
42.4 мм |
50 мм |
| 40 |
1 1/2" |
48.3 мм |
50 мм |
| 50 |
2" |
60.3 мм |
50 мм |
| 65 |
2 1/2" |
76.1 мм |
60 мм |
| 80 |
3" |
88.9 мм |
70 мм |
| 100 |
4" |
114.3 мм |
80 мм |
|
 |
|
| 309 |
Нипель ровный, резьба внешн. DIN 2982 |
 |
| NW |
d1 |
L1 |
| 6 |
1/8" |
18 мм |
| 8 |
1/4" |
18 мм |
| 10 |
3/8" |
22 мм |
| 15 |
1/2" |
25 мм |
| 20 |
3/4" |
30 мм |
| 25 |
1" |
35 мм |
| 32 |
1 1/4" |
38 мм |
| 40 |
1 1/2" |
38 мм |
| 50 |
2" |
45 мм |
| 65 |
2 1/2" |
55 мм |
| 80 |
3" |
60 мм |
| 100 |
4" |
70 мм |
|
 |
|
| 310 |
Нипель двусторонний, резьба внешн. DIN 2982 |
 |
| NW |
d1 |
d2 |
L1 |
| 6 |
1/8" |
10.2 мм |
40 мм |
| 8 |
1/4" |
13.5 мм |
40 мм |
| 10 |
3/8" |
17.2 мм |
40 мм |
| 15 |
1/2" |
21.3 мм |
60 мм |
| 20 |
3/4" |
26.9 мм |
60 мм |
| 25 |
1" |
33.7 мм |
60 мм |
| 32 |
1 1/4" |
42.4 мм |
80 мм |
| 40 |
1 1/2" |
48.3 мм |
80 мм |
| 50 |
2" |
60.3 мм |
100 мм |
| 65 |
2 1/2" |
76.1 мм |
100 мм |
| 80 |
3" |
88.9 мм |
120 мм |
| 100 |
4" |
114.3 мм |
120 мм |
|
 |
|
| 340 |
Нипель двойной 6-гранный, резьба внешн. DIN 2990 |
 |
| NW |
d1 |
L |
SW |
| 6 |
1/8" |
21 мм |
12 мм |
| 8 |
1/4" |
33 мм |
15 мм |
| 10 |
3/8" |
35 мм |
20 мм |
| 15 |
1/2" |
42 мм |
26 мм |
| 20 |
3/4" |
49 мм |
31 мм |
| 25 |
1" |
50 мм |
36 мм |
| 32 |
1 1/4" |
57 мм |
45 мм |
| 40 |
1 1/2" |
58 мм |
51 мм |
| 50 |
2" |
64 мм |
63 мм |
| 65 |
2 1/2" |
75 мм |
81 мм |
| 80 |
3" |
81 мм |
95 мм |
| 100 |
4" |
92 мм |
120 мм |
|
 |
|
| 341 |
Нипель редукционный, 6-гранный, резьба внешн. DIN 2990 |
 |
| d2 |
- d1 |
L |
d2 |
- d1 |
L |
| 1/4" |
- 1/8" |
30 мм |
1 1/4" |
- 1" |
53 мм |
| 3/8" |
- 1/8" |
30 мм |
1 1/2" |
- 3/4" |
55 мм |
|
- 1/4" |
30 мм |
|
- 1" |
55 мм |
| 1/2" |
- 1/8" |
34 мм |
|
- 1 1/4" |
55 мм |
|
- 1/4" |
34 мм |
2" |
- 1" |
65 мм |
|
- 3/8" |
34 мм |
|
- 1 1/4" |
65 мм |
| 3/4" |
- 1/4" |
40 мм |
|
- 1 1/2" |
66 мм |
|
- 3/8" |
40 мм |
2 1/2" |
- 1 1/4" |
70 мм |
|
- 1/2" |
40 мм |
|
- 1 1/2" |
70 мм |
| 1" |
- 3/8" |
43 мм |
|
2" |
70 мм |
|
- 1/2" |
43 мм |
3" |
- 1 1/2" |
85 мм |
|
- 3/4" |
43 мм |
3" |
- 2" |
85 мм |
|
- 3/4" |
53 мм |
|
|
|
|
 |
|
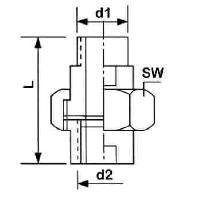
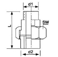
| 311 |
Соединение, резьба внутр. |
 |
| NW |
d1 |
L |
SW |
| 6 |
1/8" |
33 мм |
31 мм |
| 8 |
1/4" |
45 мм |
35 мм |
| 10 |
3/8" |
45 мм |
38 мм |
| 15 |
1/2" |
43 мм |
42 мм |
| 20 |
3/4" |
46 мм |
49 мм |
| 25 |
1" |
51 мм |
60 мм |
| 32 |
1 1/4" |
56 мм |
70 мм |
| 40 |
1 1/2" |
59 мм |
77 мм |
| 50 |
2" |
67 мм |
91 мм |
| 65 |
2 1/2" |
83 мм |
110 мм |
| 80 |
3" |
97 мм |
126 мм |
|
 |
|
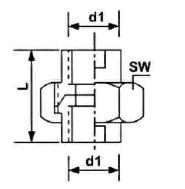
| 311 A |
Соединение, резьба внутр./внешн. |
 |
| NW |
d1/d2 |
L |
SW |
| 8 |
1/4" |
54 мм |
35 мм |
| 10 |
3/8" |
57 мм |
40 мм |
| 15 |
1/2" |
55 мм |
42 мм |
| 20 |
3/4" |
62 мм |
49 мм |
| 25 |
1" |
69 мм |
60 мм |
| 32 |
1 1/4" |
78 мм |
70 мм |
| 40 |
1 1/2" |
84 мм |
76 мм |
| 50 |
2" |
89 мм |
91 мм |
| 65 |
2 1/2" |
110 мм |
110 мм |
| 80 |
3" |
125 мм |
125 мм |
|
 |
|
| 311 S |
Соединение, соединение приварное |
 |
| NW |
d1 |
L |
SW |
| 6 |
10.2 мм |
39 мм |
35 мм |
| 8 |
13.5 мм |
39 мм |
35 мм |
| 10 |
17.2 мм |
40 мм |
38 мм |
| 15 |
21.3 мм |
41 мм |
38 мм |
| 20 |
26.9 мм |
46 мм |
49 мм |
| 25 |
33.7 мм |
49 мм |
49 мм |
| 32 |
42.4 мм |
53 мм |
60 мм |
| 40 |
48.3 мм |
71 мм |
70 мм |
| 50 |
60.3 мм |
74 мм |
75 мм |
| 65 |
76.1 мм |
85 мм |
109 мм |
| 80 |
88.9 мм |
96 мм |
125 мм |
|
 |
|
| 311 IS |
Соединение, соединение внутр. резьба/приварное |
 |
| NW |
d1 |
d2 |
L |
SW |
| 8 |
13.5 мм |
1/4" |
43 мм |
35 мм |
| 10 |
17.2 мм |
3/8" |
41 мм |
38 мм |
| 15 |
21.3 мм |
1/2" |
42 мм |
42 мм |
| 20 |
26.9 мм |
3/4" |
44 мм |
49 мм |
| 25 |
33.7 мм |
1" |
50 мм |
58 мм |
| 32 |
42.4 мм |
1 1/4" |
53 мм |
70 мм |
| 40 |
48.3 мм |
1 1/2" |
64 мм |
77 мм |
| 50 |
60.3 мм |
2" |
67 мм |
91 мм |
| 65 |
76.1 мм |
2 1/2" |
78 мм |
110 мм |
| 80 |
88.9 мм |
3" |
90 мм |
125 мм |
|
 |
|
| 311 AS |
Соединение, соединение внеш. резьба/приварное |
 |
| NW |
d1 |
d2 |
L |
SW |
| 8 |
13.5 мм |
1/4" |
53 мм |
35 мм |
| 10 |
17.2 мм |
3/8" |
54 мм |
38 мм |
| 15 |
21.3 мм |
1/2" |
57 мм |
42 мм |
| 20 |
26.9 мм |
3/4" |
64 мм |
49 мм |
| 25 |
33.7 мм |
1" |
69 мм |
60 мм |
| 32 |
42.4 мм |
1 1/4" |
77 мм |
70 мм |
| 40 |
48.3 мм |
1 1/2" |
88 мм |
77 мм |
| 50 |
60.3 мм |
2" |
93 мм |
91 мм |
| 65 |
76.1 мм |
2 1/2" |
110 мм |
109 мм |
| 80 |
88.9 мм |
3" |
125 мм |
125 мм |
|
 |
|
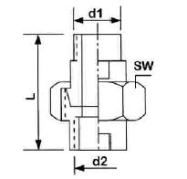
| 312 |
Соединение, соединение внутр. резьба |
 |
| NW |
d1 |
L |
SW |
| 6 |
1/8" |
33 мм |
31 мм |
| 8 |
1/4" |
33 мм |
31 мм |
| 10 |
3/8" |
38 мм |
41 мм |
| 15 |
1/2" |
42 мм |
42 мм |
| 20 |
3/4" |
48 мм |
49 мм |
| 25 |
1" |
58 мм |
59 мм |
| 32 |
1 1/4" |
60 мм |
69 мм |
| 40 |
1 1/2" |
64 мм |
78 мм |
| 50 |
2" |
73 мм |
92 мм |
| 65 |
2 1/2" |
83 мм |
110 мм |
| 80 |
3" |
97 мм |
125 мм |
|
 |
|
| 312 A |
Соединение, резьба внутр./внешн. |
 |
| NW |
d1/d2 |
L |
SW |
| 8 |
1/4" |
54 мм |
35 мм |
| 10 |
3/8" |
57 мм |
40 мм |
| 15 |
1/2" |
55 мм |
42 мм |
| 20 |
3/4" |
62 мм |
49 мм |
| 25 |
1" |
69 мм |
60 мм |
| 32 |
1 1/4" |
78 мм |
70 мм |
| 40 |
1 1/2" |
84 мм |
76 мм |
| 50 |
2" |
89 мм |
91 мм |
| 65 |
2 1/2" |
110 мм |
110 мм |
| 80 |
3" |
125 мм |
125 мм |
|
 |
|
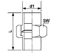
| 312 S |
Соединение, соединение приварное |
 |
| NW |
d1 |
L |
SW |
| 6 |
10.2 мм |
39 мм |
35 мм |
| 8 |
13.5 мм |
39 мм |
35 мм |
| 10 |
17.2 мм |
40 мм |
38 мм |
| 15 |
21.3 мм |
41 мм |
38 мм |
| 20 |
26.9 мм |
46 мм |
49 мм |
| 25 |
33.7 мм |
49 мм |
49 мм |
| 32 |
42.4 мм |
53 мм |
60 мм |
| 40 |
48.3 мм |
71 мм |
70 мм |
| 50 |
60.3 мм |
74 мм |
75 мм |
| 65 |
76.1 мм |
85 мм |
109 мм |
| 80 |
88.9 мм |
96 мм |
125 мм |
|
 |
|
| 312 IS |
Соединение, соединение внутр. резьба/приварное |
 |
| NW |
d1 |
d2 |
L |
SW |
| 8 |
13.5 мм |
1/4" |
43 мм |
35 мм |
| 10 |
17.2 мм |
3/8" |
41 мм |
38 мм |
| 15 |
21.3 мм |
1/2" |
42 мм |
42 мм |
| 20 |
26.9 мм |
3/4" |
44 мм |
49 мм |
| 25 |
33.7 мм |
1" |
50 мм |
58 мм |
| 32 |
42.4 мм |
1 1/4" |
53 мм |
70 мм |
| 40 |
48.3 мм |
1 1/2" |
64 мм |
77 мм |
| 50 |
60.3 мм |
2" |
67 мм |
91 мм |
| 65 |
76.1 мм |
2 1/2" |
78 мм |
110 мм |
| 80 |
88.9 мм |
3" |
90 мм |
125 мм |
|
 |
|
| 312 AS |
Соединение, соединение внешн. резьба/приварое |
 |
| NW |
d1 |
d2 |
L |
SW |
| 8 |
13.5 мм |
1/4" |
53 мм |
35 мм |
| 10 |
17.2 мм |
3/8" |
54 мм |
38 мм |
| 15 |
21.3 мм |
1/2" |
57 мм |
42 мм |
| 20 |
26.9 мм |
3/4" |
64 мм |
49 мм |
| 25 |
33.7 мм |
1" |
69 мм |
60 мм |
| 32 |
42.4 мм |
1 1/4" |
77 мм |
70 мм |
| 40 |
48.3 мм |
1 1/2" |
88 мм |
77 мм |
| 50 |
60.3 мм |
2" |
93 мм |
91 мм |
| 65 |
76.1 мм |
2 1/2" |
110 мм |
109 мм |
| 80 |
88.9 мм |
3" |
125 мм |
125 мм |
|
 |
|
| 325 |
Редукция, резьба внутр./внешн. DIN 2990 |
 |
| d1 |
- d2 |
SW |
d1 |
- d2 |
SW |
| 1/4" |
- 1/8" |
21 мм |
1 1/4" |
- 1" |
47 мм |
| 3/8" |
- 1/8" |
24 мм |
1 1/2" |
- 3/4" |
54 мм |
|
- 1/4" |
24 мм |
|
- 1" |
54 мм |
| 1/2" |
- 1/4" |
26 мм |
|
- 1 1/4" |
54 мм |
|
- 3/8" |
26 мм |
2" |
- 1" |
63 мм |
| 3/4" |
- 1/4" |
32 мм |
|
- 1 1/4" |
63 мм |
|
- 3/8" |
32 мм |
|
- 1 1/2" |
63 мм |
|
- 1/2" |
37 мм |
2 1/2" |
- 1 1/4" |
87 мм |
| 1" |
- 3/8" |
37 мм |
|
- 1 1/2" |
87 мм |
|
- 1/2" |
37 мм |
|
- 2" |
87 мм |
|
- 3/4" |
37 мм |
3" |
- 1 1/2" |
95 мм |
| 1 1/4" |
- 1/2" |
47 мм |
|
- 2" |
95 мм |
|
- 3/4" |
47 мм |
|
- 2 1/2" |
95 мм |
|
 |
|
| 326 |
Заглушка 6-гранная, резьба внутр. DIN 2991 |
 |
| NW |
d1 |
SW |
| 6 |
1/8" |
14 мм |
| 8 |
1/4" |
18 мм |
| 10 |
3/8" |
21 мм |
| 15 |
1/2" |
27 мм |
| 20 |
3/4" |
32 мм |
| 25 |
1" |
39 мм |
| 32 |
1 1/4" |
49 мм |
| 40 |
1 1/2" |
55 мм |
| 50 |
2" |
68 мм |
| 65 |
2 1/2" |
84 мм |
| 80 |
3" |
98 мм |
| 100 |
4" |
125 мм |
|
 |
|
| 329 |
Пробка 4-гранная, резьба внешн. |
 |
| NW |
d1 |
SW |
| 6 |
1/8" |
8 мм |
| 8 |
1/4" |
8 мм |
| 10 |
3/8" |
12 мм |
| 15 |
1/2" |
13 мм |
| 20 |
3/4" |
17 мм |
| 25 |
1" |
19 мм |
| 32 |
1 1/4" |
23 мм |
| 40 |
1 1/2" |
26 мм |
| 50 |
2" |
32 мм |
| 65 |
2 1/2" |
41 мм |
| 80 |
3" |
41 мм |
|
 |
|
| 330 |
Пробка 6-гранная, резьба внешн. |
 |
| NW |
d1 |
SW |
| 6 |
1/8" |
12 мм |
| 8 |
1/4" |
17 мм |
| 10 |
3/8" |
19 мм |
| 15 |
1/2" |
23 мм |
| 20 |
3/4" |
29 мм |
| 25 |
1" |
36 мм |
| 32 |
1 1/4" |
49 мм |
| 40 |
1 1/2" |
51 мм |
| 50 |
2" |
63 мм |
| 65 |
2 1/2" |
83 мм |
| 80 |
3" |
95 мм |
| 100 |
4" |
120 мм |
|
 |
|
| 331 |
Пробка 6-гранная, резьба внешн. цилиндричная DIN 910 |
 |
| NW |
d1 |
SW |
L |
| 6 |
1/8" |
10 мм |
17 мм |
| 8 |
1/4" |
13 мм |
21 мм |
| 10 |
3/8" |
17 мм |
21 мм |
| 15 |
1/2" |
19 мм |
26 мм |
| 20 |
3/4" |
24 мм |
30 мм |
| 25 |
1" |
27 мм |
32 мм |
| 32 |
1 1/4" |
30 мм |
33 мм |
| 40 |
1 1/2" |
30 мм |
33 мм |
| 50 |
2" |
35 мм |
40 мм |
|
 |
|
| 342 |
Заглушка округлая, резьба внутр. |
 |
| Різьба |
D |
L |
| 1/8" |
14.5 мм |
13 мм |
| 1/4" |
18.0 мм |
17 мм |
| 3/8" |
21.5 мм |
18 мм |
| 1/2" |
27.0 мм |
22 мм |
| 3/4" |
33.5 мм |
24 мм |
| 1" |
40.4 мм |
28 мм |
| 1 1/4" |
50.0 мм |
31 мм |
| 1 1/2" |
57.0 мм |
31 мм |
| 2" |
70.0 мм |
37 мм |
| 2 1/2" |
86.0 мм |
42 мм |
| 3" |
100.0 мм |
46 мм |
|
 |
|
| 327 |
Гайка 6-гранна, різьба внутрішня DIN 431 |
 |
| NW |
d1 |
SW |
| 6 |
1/8" |
19 мм |
| 8 |
1/4" |
22 мм |
| 10 |
3/8" |
27 мм |
| 15 |
1/2" |
32 мм |
| 20 |
3/4" |
36 мм |
| 25 |
1" |
46 мм |
| 32 |
1 1/4" |
55 мм |
| 40 |
1 1/2" |
60 мм |
| 50 |
2" |
75 мм |
| 65 |
2 1/2" |
94 мм |
| 80 |
3" |
109 мм |
| 100 |
4" |
125 мм |
|
 |
|
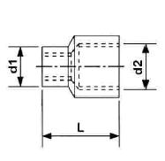
| 333 |
Муфта, різьба внутрішня DIN 2986 |
 |
| NW |
d1 |
d2 |
L |
| 6 |
1/8" |
14.0 мм |
17 мм |
| 8 |
1/4" |
17.0 мм |
25 мм |
| 10 |
3/8" |
21.3 мм |
26 мм |
| 15 |
1/2" |
26.4 мм |
34 мм |
| 20 |
3/4" |
31.8 мм |
36 мм |
| 25 |
1" |
39.5 мм |
43 мм |
| 32 |
1 1/4" |
48.3 мм |
48 мм |
| 40 |
1 1/2" |
54.5 мм |
48 мм |
| 50 |
2" |
66.3 мм |
56 мм |
| 65 |
2 1/2" |
82.0 мм |
66 мм |
| 80 |
3" |
95.0 мм |
71 мм |
| 100 |
4" |
122.0 мм |
83 мм |
|
 |
|
| 335 |
Муфта редукційна, різьба внутрішня |
 |
| d2 |
- d1 |
L |
d2 |
- d1 |
L |
| 1/4" |
- 1/8" |
27 мм |
1 1/2" |
- 3/4" |
56 мм |
| 3/8" |
- 1/8" |
34 мм |
|
- 1" |
56 мм |
|
- 1/4" |
34 мм |
|
- 1 1/4" |
56 мм |
| 1/2" |
- 1/4" |
34 мм |
2" |
- 1" |
66 мм |
|
- 3/8" |
34 мм |
|
- 1 1/4" |
66 мм |
| 3/4" |
- 3/8" |
38 мм |
|
- 1 1/2" |
66 мм |
|
- 1/2" |
45 мм |
2 1/2" |
- 1 1/4" |
70 мм |
| 1" |
- 3/8" |
45 мм |
|
- 1 1/2" |
70 мм |
|
- 1/2" |
45 мм |
|
- 2" |
70 мм |
|
- 3/4" |
50 мм |
3" |
- 2" |
72 мм |
| 1 1/4" |
- 1/2" |
50 мм |
|
- 2" |
72 мм |
|
- 3/4" |
50 мм |
|
|
|
|
- 1" |
50 мм |
|
|
|
|
 |
|
| 337 |
Штуцер для шланга з гайкою різьба зовнішня |
 |
| NW |
d |
E |
L |
SW |
| 8 |
1/4" |
9 мм |
48 мм |
15 мм |
| 10 |
3/8" |
11 мм |
53 мм |
19 мм |
| 15 |
1/2" |
65 мм |
23 мм |
48 мм |
| 20 |
3/4" |
20 мм |
70 мм |
29 мм |
| 25 |
1" |
26 мм |
75 мм |
38 мм |
| 32 |
1 1/4" |
33 мм |
80 мм |
46 мм |
| 40 |
1 1/2" |
39 мм |
95 мм |
50 мм |
| 50 |
2" |
51 мм |
105 мм |
60 мм |
| 65 |
2 1/2" |
63 мм |
110 мм |
80 мм |
| 80 |
3" |
76 мм |
120 мм |
95 мм |
|
 |
|
| 337 S |
Штуцер для шланга, з'єднання приварне |
 |
| NW |
d |
L |
| 8 |
13.5 мм |
48 мм |
| 10 |
17.2 мм |
53 мм |
| 15 |
21.3 мм |
65 мм |
| 20 |
26.9 мм |
70 мм |
| 25 |
33.7 мм |
75 мм |
| 32 |
42.4 мм |
80 мм |
| 40 |
48.3 мм |
95 мм |
| 50 |
60.3 мм |
105 мм |
| 65 |
76.1 мм |
110 мм |
| 80 |
88.9 мм |
120 мм |
|
 |
|
| 337 G |
Штуцер для шланга, різьба зовнішня DIN 2990 |
 |
| NW |
d |
E |
L |
| 8 |
1/4" |
13.5 мм |
70 мм |
| 10 |
3/8" |
17.2 мм |
70 мм |
| 15 |
1/2" |
21.3 мм |
70 мм |
| 20 |
3/4" |
26.9 мм |
70 мм |
| 25 |
1" |
33.7 мм |
70 мм |
| 32 |
1 1/4" |
42.4 мм |
70 мм |
| 40 |
1 1/2" |
48.3 мм |
100 мм |
| 50 |
2" |
60.3 мм |
100 мм |
| 65 |
2 1/2" |
76.1 мм |
120 мм |
| 80 |
3" |
88.9 мм |
120 мм |
|
 |
|